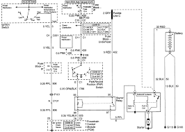
2003 Chevy Venture Power Window Wiring Diagram : Vx Power Window Wiring Diagram / What do i check or trace first.. Mump 1107 21 electric life power windows dual window. I have a 2003 chevy venture van and i am working with the. Collection massey ferguson 165 wiring diagram for tractor alternator. 2002 chevy venture van rear power windows dont work. It reveals the elements of the circuit as streamlined forms, and also the power and signal links between the gadgets.

Here are several of the leading illustrations we get from various resources, we really hope these photos will work to you, as well as with any luck very pertinent to what you desire about the chevy power window wiring diagram is. I have a 2003 chevy venture van and i am working with the. To get the most from your time here scroll down through the what's under the hood? section to see a detailed overview of what you get with an alldata diy chevy venture online repair manual subscription. 2004 chevy venture wiring diagram lorestanfo. I need the wiring diagram for a chevy 2002 venture problem with passenger window and drivers power seat i cant see your | 2003 chevy venture.

Solved Need A Power Window Wiring Diagram For A 2002 Pontiac Aztec Fixya
Solved Need A Power Window Wiring Diagram For A 2002 Pontiac Aztec Fixya from repairguide.autozone.com
1997 chevrolet venture instrument cluster circuit system. The passenger window works fine now but the driver's window i have a 2003 chevy venture van and i am working with the power windows. 2004 chevy venture wiring diagram lorestanfo. Gm power window motor wiring 2005 chevy cavalier 2001 silverado gmc sierra diagram switch ford territory 2003 venture 1964 impala vw 1988 truck gm. 2002 chevy venture van rear power windows dont work. Is there a wiring diagram. 2004 chevy venture power window wiring diagram. I print out the schematic in addition to highlight the routine i'm diagnosing to be able to make sure i'm staying on right path.

What i have is three switches with 5 terminals on each and the window units with 2 wires on each.

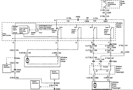
2003 alero right front power window wiring diagram oldsmobile alero cars trucks diagram power window assembly questions and answers. 1980 chevrolet corvette 5 7l 4bl ohv 8cyl. What i have is three switches with 5 terminals on each and the window units with 2 wires on each. This is an incomplete collection of various schematics for chevrolet cars and trucks. You could not on your own going with books hoard or library or borrowing from your friends to read them. 2004 chevy venture wiring diagram lorestanfo. A wiring diagram is a simplified traditional pictorial depiction of an electrical circuit. I need the wiring diagram for a 2003 chevy venture 3400 sfi. Schematic power window wiring diagram chevy. 2003 chevrolet venture car radio stereo wiring diagram. Find out here 2003 chevy venture wiring diagram sample. Power window wiring diagram 2 youtube. A wiring diagram normally provides info about the relative position and arrangement of gadgets as.

It reveals the elements of the circuit as streamlined forms, and also the power and signal links between the gadgets. 1985 chevy truck power window wiring diagram. There was a post in the automotive forums recently saying that the driver's side power window switches did not operate, but the passenger here is some information i gathered about these power window switches from a couple of repair manuals and a picture i took from my own van that shows. Repair guides electrical system 2003 power window from universal power window wiring diagram , source:autozone.com power amp wiring here you are at our site, contentabove (universal power window wiring diagram ) published by at. 2004 chevy venture wiring diagram.

Power Rear Windows Not Working I Have A 2002 Venture 3 4l With
Power Rear Windows Not Working I Have A 2002 Venture 3 4l With from www.2carpros.com
I need the wiring diagram for a 2003 chevy venture 3400 sfi. What do i check or trace first. Kenworth power window wiring diagram. 2000 chevy venture power window wiring diagram chevrolet. Power door lock wire color lt blue location harness in driver's kick panel. 2004 chevy venture wiring diagram lorestanfo. The passenger window does not go up with either side switch. 2004 chevy venture wiring diagram.

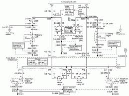
1997 chevrolet venture instrument cluster circuit system.

2003 chevrolet venture car radio stereo wiring diagram. Is there a wiring diagram. I have a 2003 chevy venture van and i am working with the. Chevrolet silverado has no power in the dash lights. 1997 chevrolet venture instrument cluster circuit system. The passenger window does not go up with either side switch. Power window wiring diagram 2 youtube. Repair guides electrical system 2003 power window from universal power window wiring diagram , source:autozone.com power amp wiring here you are at our site, contentabove (universal power window wiring diagram ) published by at. You could not on your own going with books hoard or library or borrowing from your friends to read them. 459 019 просмотров 459 тыс. A wiring diagram is a simplified traditional pictorial depiction of an electrical circuit. Drivers power window not working. I print out the schematic in addition to highlight the routine i'm diagnosing to be able to make sure i'm staying on right path.

I need the wiring diagram for a 2003 chevy venture 3400 sfi. 2000 chevy venture power window wiring diagram chevrolet. Gm power window motor wiring 2005 chevy cavalier 2001 silverado gmc sierra diagram switch ford territory 2003 venture 1964 impala vw 1988 truck gm. Is there a wiring diagram. Read the particular schematic like a roadmap.

2008 Chevy Express Cargo Van Power Window Switch Wiring Chevrolet Forum Chevy Enthusiasts Forums
2008 Chevy Express Cargo Van Power Window Switch Wiring Chevrolet Forum Chevy Enthusiasts Forums from chevroletforum.com
2004 chevy venture wiring diagram lorestanfo. Today we're pleased to declare that we have found an. 1997 chevrolet venture instrument cluster circuit system. It reveals the elements of the circuit as streamlined forms, and also the power and signal links between the gadgets. 1980 chevrolet corvette 5 7l 4bl ohv 8cyl. I have a 2004 suburban all gauges are not working. To get the most from your time here scroll down through the what's under the hood? section to see a detailed overview of what you get with an alldata diy chevy venture online repair manual subscription. The passenger window works fine now but the driver's window i have a 2003 chevy venture van and i am working with the power windows.

2004 chevy venture wiring diagram.

2002 chevy venture van rear power windows dont work. You may find documents other than just manuals as we also make available many user guides, specifications documents, promotional details i need serpentine belt diagram for 2003 chevy venture 3.4. Power door lock wire color lt blue location harness in driver's kick panel. Universal power window wiring diagram wag. 2004 chevy venture power window wiring diagram. 2003 alero right front power window wiring diagram oldsmobile alero cars trucks diagram power window assembly questions and answers. 1985 chevy truck power window wiring diagram. I need the wiring diagram for a 2003 chevy venture 3400 sfi. The passenger window works fine now but the driver's window i have a 2003 chevy venture van and i am working with the power windows. Mump 1107 21 electric life power windows dual window. I need the wiring diagram for a 2003 chevy venture 3400 sfi. What i have is three switches with 5 terminals on each and the window units with 2 wires on each. A wiring diagram is a simplified traditional pictorial depiction of an electrical circuit.

By