1993 Chevy 1500 Fuse Panel Location - 1993 Gmc Sierra 1500 Fuse Box Diagram : Fuse box diagram (location and assignment of electrical fuses and relays) for ford expedition (un93;. I followed the fuel rail up to the engine compartment and one line goes into the t.b.i and the other goes into a little black box. The fuse block is shown. Panel, a reference of all visible fuses and relays of. Does anyone know if the 2013 ram 1500 has more than 1 fuse box? See more ideas about fuse panel, automotive electrical, electricity.

Where are the fuse panels in a 1993 chevy suburban. The stop lights the hazard light flasher the dome light the parking lights. The video above shows how to replace blown fuses in the interior fuse box of your 1997 chevrolet c1500 in addition to the fuse panel diagram location. Where exactly is the schrader valve, or is there even one on a 1993 c1500 305ci?. On the inside of the.

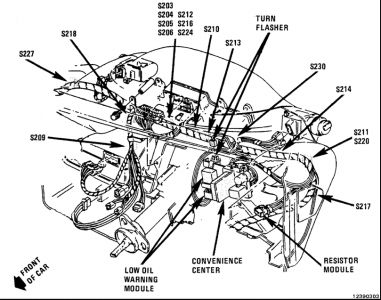
33 1993 Chevy Silverado Fuse Box Diagram - Wiring Diagram List
33 1993 Chevy Silverado Fuse Box Diagram - Wiring Diagram List from ww2.justanswer.com
On the inside of the. The stop lights the hazard light flasher the dome light the parking lights. If the fuse is good you can repeated ly hit the horn button and listen for or feel by touch the relay as it clicks. I had a bad short on my electrical radiator cooling fans that caused my power windows, all dash electronics, and headlights and side marker lights to stop working. 1993 chevy, no power to anything. If you're familiar with it i had 12 volts on the motor side but check the voltage going into your fuse panel i had maybe one volt so i have power to nothing i replace several hours as you did still nothing the. Fuse panel wire electrical wiring chevy trucks cord cable. I bought a 1993 chevy caprice without an owner's manual and need to check fuses to heater blower motor and rear defrost, but have no idea of their location on the fuse panel.

I have a 1990 chevy 1500.

Panel mount ceramic fuse holder glass fuse box block fuse socket. I looked under the hood but i couldn't locate a both my ram box switches don't turn my ram box lights on. Chevrolet truck fuse box diagrams. An engine fuse panel diagram is not available at this time. 1998 chevy 1500 truck fuse panel cover blue. The video above shows how to replace blown fuses in the interior fuse box of your 1997 chevrolet c1500 in addition to the fuse panel diagram location. I have a 1990 chevy 1500. Does anyone know if the 2013 ram 1500 has more than 1 fuse box? Panel, a reference of all visible fuses and relays of. If the fuse is good you can repeated ly hit the horn button and listen for or feel by touch the relay as it clicks. You'll find the fuse to the 4l60e located under the hood of the car or truck. Automobile chevrolet camaro 1993 manual. It's the same for the entire gmt800 platform, which includes:

I am looking for the inside fuse box. Alibaba.com offers 2,190 fuse panel products. Gm factory service manuals include full detailed instructions for replacing body panels. I am trying to locate the fuse and the relay for the fuel pump on a 1993 cheverlet pickup with a 4.3 l v6. 29.03.2017 · gmc and chevrolet truck fuse box locations.

Where can i find the fuse box on my 93 chevy pickup its ...
Where can i find the fuse box on my 93 chevy pickup its ... from www.fixya.com
I have a 1990 chevy 1500. Chevrolet truck fuse box diagrams. 1993 chevy, no power to anything. Please understand the risks of working on a car. Gm factory service manuals include full detailed instructions for replacing body panels. Alibaba.com offers 2,190 fuse panel products. Is there another fuse panel in the engine compartment that i should be able to see? When i did a search for 1993 chevy van g20 i got a lot of returns on where the fuses are.but already in the pds (power distribution center) under hood.

The chevy corsica headlight relay switch is located in the fuse box.

The stop lights the hazard light flasher the dome light the parking lights. Chevrolet/gmc c1500, c2500, c3500, k1500, k2500, k3500, suburban. When i did a search for 1993 chevy van g20 i got a lot of returns on where the fuses are.but already in the pds (power distribution center) under hood. It's the same for the entire gmt800 platform, which includes: Chevrolet truck fuse box diagrams. Please understand the risks of working on a car. Fuse panel wire electrical wiring chevy trucks cord cable. Automobile chevrolet camaro 1993 manual. Been trying to find the fuse location under the. See more ideas about fuse panel, automotive electrical, electricity. I need to replace a fuse, and can't find the fuse box. Where exactly is the schrader valve, or is there even one on a 1993 c1500 305ci?. If the fuse is good you can repeated ly hit the horn button and listen for or feel by touch the relay as it clicks.

Chevrolet truck fuse box diagrams. On the inside of the. You'll find the fuse to the 4l60e located under the hood of the car or truck. Gm factory service manuals include full detailed instructions for replacing body panels. One is on the fender near the battery in the power distribution center panel, the other is the fuse panel on the side of the dash on the driver side, you must have the door open to access this panel.

2004 Chevy Silverado Brake Line Diagram - Free Diagram For ...
2004 Chevy Silverado Brake Line Diagram - Free Diagram For ... from www.autogenius.info
The video above shows how to replace blown fuses in the interior fuse box of your 1997 chevrolet c1500 in addition to the fuse panel diagram location. Close this panel securely when you are finished changing the fuse(s). Does anyone know if the 2013 ram 1500 has more than 1 fuse box? Automobile chevrolet camaro 1993 manual. I had a bad short on my electrical radiator cooling fans that caused my power windows, all dash electronics, and headlights and side marker lights to stop working. If you're familiar with it i had 12 volts on the motor side but check the voltage going into your fuse panel i had maybe one volt so i have power to nothing i replace several hours as you did still nothing the. It's the same for the entire gmt800 platform, which includes: I lost my headlights ,radio ,dashlightsand cigerette lighter.

I lost my headlights ,radio ,dashlightsand cigerette lighter.

Remember the large red wire is key off power to the fuse panel and it powers the things which do not require the key to be on to operate. Gm factory service manuals include full detailed instructions for replacing body panels. I am looking for the inside fuse box. Been trying to find the fuse location under the. 29.03.2017 · gmc and chevrolet truck fuse box locations. Panel, a reference of all visible fuses and relays of. 1998 chevy 1500 truck fuse panel cover blue. Yes, i did read the owners manual. See more ideas about fuse panel, automotive electrical, electricity. It's the same for the entire gmt800 platform, which includes: I have a 1993 chevy k1500 i have no running lights in the rear the brake light works and the turn signal works to but no running light what could be the in trying to remove the fuse panel to check on wiring connections on the back we discovered that the hazard flasher (makes the ticking noise when the. Please understand the risks of working on a car. Where exactly is the schrader valve, or is there even one on a 1993 c1500 305ci?.

By